激光技术用于书画文物修复
科技赋能 学科融合
近日,电子学院程辉辉副教授课题组联合厦门大学档案馆,在应用新型激光技术修复文物方面取得阶段进展,在厦门大学人文社科一类核心学术刊物《档案学研究》的2024年第4期上,发表题为《智能激光技术在纸质档案修复中的机理研究与应用译介》的交叉学科论文。
该文章从激光清洗作用机制上分析了激光清洗修复纸质档案的优势与可行性,明确材料和激光参数是影响激光清洗效率的重要参数,提出针对不同污染物,通过调试合适的激光参数,如脉冲持续时间、能量密度和波长等,利用智能操控平台精确控制激光清洗的位置、时间和扫描方式,实现纸张纤维无损高效清洗的智能化方式,为纸质档案修复提供了新思路。


激光清洗的机理是利用激光作用于材料表面,使材料表面吸收激光能量,引起一系列的物理化学相互作用,从而去除污染物。激光的“烧蚀冷却”特性使得激光有效去除污染物的同时能够对表面基底进行保护。这一特性在文物清洗修复方面表现出独特优势。通过优化激光参数,增加智能操控平台,激光清洗技术能够有效规避传统清洗技术对文物表面基底的伤害,提高清洗效率。


程辉辉带领学生做实验
2023年3月,学院办公室党支部与档案馆/文博管理中心党支部开展共建活动。在活动中,程辉辉副教授和谢华斌馆员分别介绍了开展文物修复的科研合作情况,双方针对下一步共建合作的思路与举措进行了深入探讨。

开展共建以来,程辉辉课题组深入探索、不断创新,打破学科壁垒,融合多方智慧,将先进技术与深厚文化底蕴相结合,成功攻克了技术难题。过程中硕果累累,实现了档案保护的重大突破,为厦大档案的保存与传承贡献了电子力量。

程辉辉课题组合照
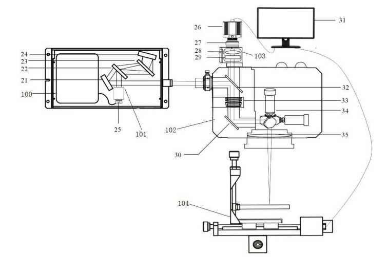
程辉辉老师作为第一指导老师,联合指导国家级大学生创新创业项目《激光技术用于书画文物修复的机理探索》,该项目的开展激发了本科生投身交叉学科的热情,在育人方面取得了积极成效。课题组进一步提出了脉冲激光应用于文物修复的智能装置,申请了名为《一种用于文物表面清洗的激光装置》的国家发明专利一项。

用于文物表面清洗的激光装置说明图
接下来,学院将深度提炼本次学科交叉合作所取得的宝贵成功经验,开展更多的跨学科、跨部门交流,激发新的研究灵感,促进学术成果的快速转化,充分利用学院在电子科学、芯片、激光、电磁等领域的尖端优势,进一步推进厦大文物藏品保护和文博资源开发利用工作,让科技赋能文物藏品保护,讲好厦大故事,传好厦大之声。
(文/陈佳佳、林燕红)